WizNet markasını ilk kez bir PLC’nin içini açtığımda görmüştüm. O zamandan aklımda kalmış. Bir süre sonra embedded ethernet gerektiren bir iş masama geldiğinde aklıma bu marka geldi ve küçük bir araştırmayla W5500 çipini kullanmaya karar verdim. Şimdiye dek üç projede bu çipi kullandım ve deneyimlerimi burada paylaşacağım.
W5500’den önce üzerinde MAC modülü olan işlemcilerle ethernet uygulaması da yapmıştım. Kişisel görüşüm, W5500 gibi bir harici tümleşik çözümle çalışmak daha esnek ve konforlu.


W5500 bir donanıma asgari düzeyde kodlama yükü ile ethernet bağlanabilirliği özelliği kazandırmak için çok uygun bir çip. Bunun avantajı, PHY çipi kullanmak zorunda olmamanız, işlemcinizde MAC olmuş olsa bile TCP ya da UDP protokolünün handler’larıyla CPU’nuzu meşgul etmekten kurtulmanızdır. Ayrıca, kişisel gözlemim, W5500 daha önce kullandığım PHY çiplerine göre daha az ısınan bir şey.

W5500 ürün sayfasında bu malzeme hakkında açıklamaları görebilirsiniz.
Donanım


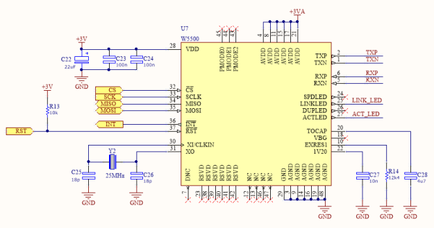
W5500’ün işlemci bağlantıları;
* 4 pin SPI : SCK, MISO, MOSI, CS
* Giriş: INT, Çıkış: RST
SPI Erişimi
W5500’e erişim SPI üzerinden oluyor. Elemanlar yukarıda linkini verdiğim ürün sayfasında 80MHz SPI clock destekliyoruz diyorlar ancak bir yerlerde 33MHz ile garanti çalışıyor gibi bir şeyler de yazdığını hatırlıyorum. Benim SPI hattı EEPROM çipiyle paylaşıldığı için ben yüksek hıza fazla odaklanmadım, 10MHz SPI clock ile yetindim. Genel olarak şöyle bir şey var: Daha yüksek SPI hızı, SPI buffer erişim fonksiyonlarınızın “blocking” çalışmasına olanak tanır ve işlemcinin toplam performansını iyileştirebilir. Ben bu uygulamada non-blocking spi erişimi kullanıyorum ve spi modülünü başka görevlerle müşterek kullanmaya da açık çalışıyorum. O yüzden yüksek spi hızını fazla dert etmiyorum. Sözü daha fazla uzatmadan W5500’e nasıl erişiliyor, onunla ilgili notlarıma link vereyim: